Usually what we mean by no negative pressure water supply equipment, generally refers to no negative pressure frequency conversion water supply equipment, also called variable frequency no negative pressure water supply equipment, is directly connected to the water supply pipe net pressure equipment. Traditional way of water supply is dependent on the reservoir, the reservoir water supply general water pipe, this has become zero after pressure of water into the pond, causing a huge amount of energy wasted.
And no negative pressure water supply equipment is an ideal energy-saving water supply equipment, it is a kind of can directly connect with tap water pipe network, the tap water pipe network does not produce any side effects of secondary water supply equipment, on the basis of the municipal pipe network pressure directly overlying water supply, energy conservation, and also has closed, no pollution, covers an area of small, fast installation, reliable operation, convenient maintenance, and many other advantages.
Tank no negative pressure frequency conversion Water Supply Equipment
Product synopsis:
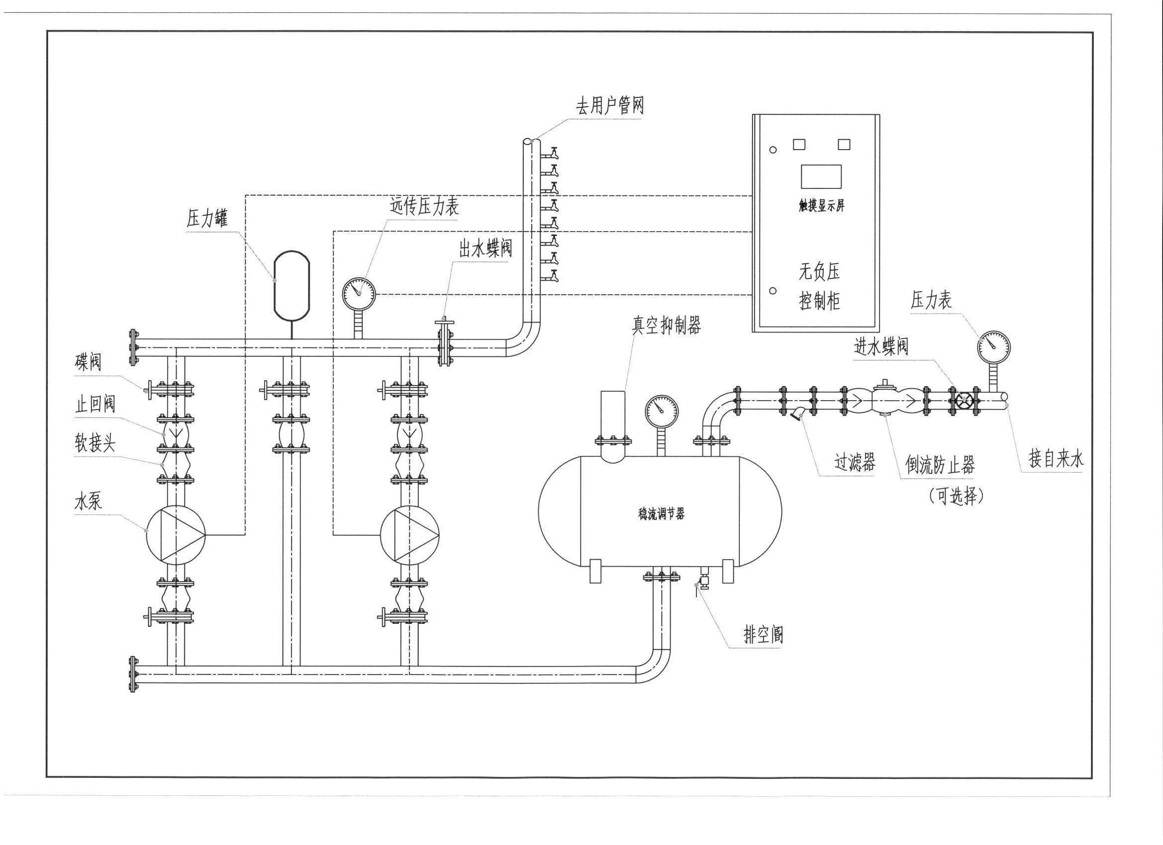
The steady flow compensator do overlying water supply equipment storage facilities. Called tank overlying water supply equipment, water pump unit and steady flow compensator installed on the same base for the integral whole, installed on the different base for split type, with a steady flow compensator and flow control of the overlying water supply equipment. (structure as shown in the figure below).

Second, the basic composition and the equipment operation mode
1, equipment basic components
By the steady flow tank, frequency control of motor speed pumps, pressure tank, frequency conversion control cabinet, pipe, valves and instrumentation, etc.
2, equipment operation mode
(1) when the municipal water pressure flow can satisfy the use requirement, water protection device automatically open. Supply water tap water through the pipe directly to the user.
(the following figure; Tank overlying water supply equipment principle schematic)
(2) when municipal pressure can not meet, variable frequency pumps automatically run the overlying pressure, on the basis of water pressure difference how many.
(3) when the system is unattended water equipment transferred to a dormant state, when small flow or night equipment through high voltage electricity saving compensator slack storage of high pressure water to fill pressure, to achieve the voltage and energy saving.
(4) when municipal pressure flow cannot meet the water protection device according to the opening of the tap water pressure automatically adjusts to protect the water pressure is not affected, steady flow regulating device automatically opened, pressure storage device automatically shut down, will reserve water in a high-pressure electricity compensator automatically added in the steady flow buffering device, peak compensation purpose.
(5) start automatically when the municipal water pressure recovery system

(2) the relative humidity: < 90% (20 ℃) (outdoor type allows 95%);
(3) power supply frequency: 50 x (1 + / - 5%) Hz;
(4) the power supply voltage: AC380x (1 + / - 10%) V;
(5) the altitude: should not be more than 1000 m;
(6) equipment operation site should be no conductive or explosive dust, no corrosion metal or destruction of insulation gas or steam.
2, performance,
(1) the overlying water
Equipment should be upon the pressure water supply pipe network, and in the overlying water.
(2) the capacity and head
During normal operation of equipment, the capacity and head should not be less than 95% of the rating.
(3) the steady flow compensation
When the water supply network cannot satisfy the use requirement for flow, steady flow compensator reserve water can be added to the user in the tube
Network system.
(4) mandatory protection function
(1) when the water supply pipe network pressure in the operation of the equipment to the site specified by the department of water supply of qualified pressure, should automatically shut or pump
Automatically shut down into the water;
(2) the overpressure appeared in the process of running, it is necessary to stop the machine automatically stops running protection and alarm; Water should be able to automatically after recovery
Open it.
(5) stop, start up automatically
Equipment in the water without water or steady flow compensator, should be able to automatic stop and alarm protection; Water can automatically after recovery
Open it.
(6) small flow down the holding
Equipment on the user's water resources or small flow rate, it is necessary to stop the machine automatically switch to a pressure maintaining working condition.
(7) pressure control precision
Equipment should be with functions of automatic constant pressure water supply. The constant pressure water supply, pressure error should not be more than 0.01 MPa.
Automatic switch (8)
When the device configuration, when two or more than two pumps should be able to automatically switch, switch time should not exceed 10 s. when
Working pump failure, the standby pump should be able to automatically put into operation within 5 s.
(9) run continuously
Equipment continuous operation at the rated water supply and pressure rated condition, should be able to work properly.
(10) equipment, stop control
Equipment should have manual, automatic start-stop function or configure the remote operation of start-stop function.
(11) strength and sealing
Equipment under 1.5 times the design pressure holding 30 min, should be no deformation or damage to the pressure under 1.1 times the design pressure
30 min should be no leakage.
(12) noise
During normal operation of equipment, the noise should not be greater than the noise of the pump sets, installed power less than or equal to 2.2 kW
The noise should not be more than 60 db (A), 3 ~ 15 kw installed power, the noise should not exceed 65 db (A).
(13) protection function
Equipment should be of overpressure
Fourth, applicable conditions
Flow of water supply is adequate, but stress can not satisfy the user places the water pressure requirements.
Five, the engineering cases show
(1) the master kong group; There is no negative pressure frequency conversion water supply equipment

(2) the shuttle fuel oil refining equipment water pressure; There is no negative pressure frequency conversion water supply equipment

(3) foshan poly real estate; # Qingdao sanli pumps; Including area without negative pressure frequency conversion water supply equipment

(4) zhuhai China mission hills; # Shanghai Oriental pump unit; There is no negative pressure water supply pump room wisdom

(5) the old equipment pump room renovation; Use a case and the auxiliary pump; There is no negative pressure frequency conversion water supply equipment

Contact: Allen Yang
Phone: 13242888953
Tel: 0757 22817156
Email: puheyrj@163.com
Add: Guangdong guangzhou tianhe balance sand too road sand road